系统仿真学报 ›› 2024, Vol. 36 ›› Issue (12): 2813-2823.doi: 10.16182/j.issn1004731x.joss.24-FZ0807E

• 论文 • 上一篇    

基于拓扑识别的核电厂电机启动验证方法研究

李保柱1, 董伟杰2, 陈超1   

  1. 1.中国核电工程有限公司,北京 100840
    2.北京信息科技大学,北京 100192
  • 收稿日期:2024-07-22 修回日期:2024-10-18 出版日期:2024-12-20 发布日期:2024-12-20
  • 通讯作者: 董伟杰

Research on Verification Method of Motor Startups in Nuclear Power Plants Based on Topology Recognition

Li Baozhu1, Dong Weijie2, Chen Chao1   

  1. 1.China Nuclear Power Engineering Co. , Ltd. , Beijing 100840, China
    2.Beijing Information Science & Technology University, Beijing 100192, China
  • Received:2024-07-22 Revised:2024-10-18 Online:2024-12-20 Published:2024-12-20
  • Contact: Dong Weijie
  • About author:Li Baozhu(1982-), male, senior engineer, master, research area: electrical engineering design for nuclear power plants.
  • Supported by:
    Key Project of National Natural Science Foundation of China(52237008);Beijing Municipal Education Commission Research Program Funding Project(KM202111232022)

摘要:

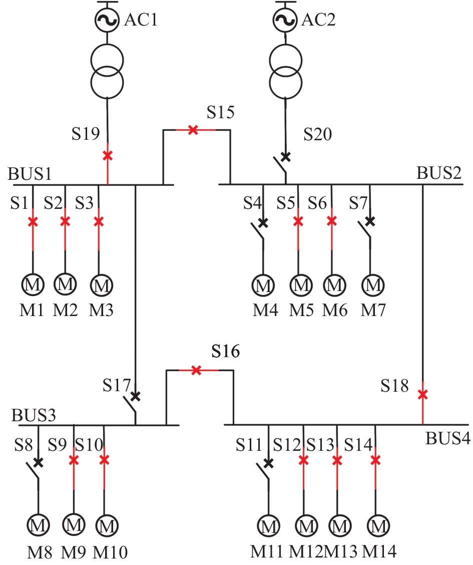
核电厂有大量的电机在工作或者备用,群电机启动会对应急母线电压产生较大影响,目前没有特殊或廉价的软件解决该问题,工程师经验又不够准确,开发了一种用于核电厂群电机启动计算的方法和系统,提出了一种核电厂内电路拓扑自动生成方法,将拓扑中每个元件都赋予其唯一的编号,能根据其种类和上下级连接构建元件类,可根据元件类通过程序快速生成开关、母线、电机的从属关系和拓扑关系,并根据上述关系采用简化直接潮流算法进行针对群电机启动的潮流计算,进而可判断群电机启动过程中母线电压是否处于安全值范围,是否发生电压越限,并用实际算例进行了验证,结果证明了该方法的有效性,与其他专业软件相比,效率高、成本低。

关键词: 核电厂用电, 拓扑自动识别, 群电机启动, 简化直接潮流算法, 验证方法

Abstract:

There are many motors in operation or on standby in nuclear power plants, and the startup of group motors will have a great impact on the voltage of the emergency bus. At present, there is no special or inexpensive software to solve this problem, and the experience of engineers is not accurate enough. Therefore, this paper developed a method and system for the startup calculation of group motors in nuclear power plants and proposed an automatic generation method of circuit topology in nuclear power plants. Each component in the topology was given its unique number, and the component class could be constructed according to its type and upper and lower connections. The subordination and topology relationship of switches, buses, and motors could be quickly generated by the program according to the component class, and the simplified direct power flow algorithm was used to calculate the power flow for the startup of group motors according to the above relationship. Then, whether the bus voltage is in the safe range and whether the voltage exceeds the limit during the startup of the group motor could be judged. The practical example was used to verify the effectiveness of the method. Compared with other professional software, the method has high efficiency and low cost.

Key words: power supply for nuclear power plant, automatic topology recognition, startup of group motor, simplified direct power flow algorithm, verification method

中图分类号: